Страница: 2/6
Если на счетный вход каждого последующего триггера счетчика подавать сигнал с прямого выхода предыдущего триггера, то счетчик будет производить операцию вычитания. Счетчики, способные выполнять функции сложения и вычитания, называются реверсивными.
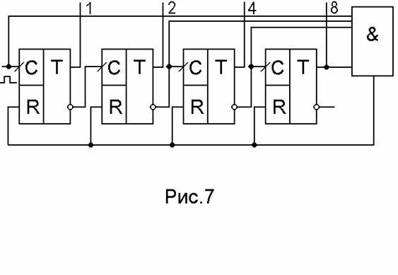
Для построения счетчика с требуемым коэффициентом пересчета М, отличным от величины 2N (N - число двоичных разрядов счетчика), используется принудительный сброс счетчика в исходное состояние при достижении счетчиком числа М. Пример такого счетчика с М=9 (М=10012) представлен на рис.7.

3. ОПИСАНИЕ ОБЪЕКТА И СРЕДСТВ ИССЛЕДОВАНИЯ
3.1. Функциональная схема исследуемого устройства представлена на рис.8 . Устройство включает двоично - десятичный счетчик ДД2, двоичный счетчик ДДЗ, коммутатор входных сигналов ДД1 и логические элементы ДД4 и ДД5, выполняющие функции элементов объединения.
Для подачи информационных и управляющих сигналов используется специальное устройство, управляемое наборными кнопками с фиксацией SА1¸SА16. Нажатому состоянию соответствует сигнал логической "1", отжатому состоянию - сигнал логического "0". Кнопки SА1¸SА16 расположены в левой части лабораторного стенда под надписью "Программатор кодов".
3.2. Функцию двоичного счетчика выполняет микросхема К155ИЕ7. Данная микросхема представляет собой реверсивный четырехразрядный счетчик - регистр, в котором кроме двух счетных входов ( суммирующего "+1" и вычитающего "-1" ) и входа сброса Р имеется четыре информационных входа DО¸DЗ и вход С , разрешающий запись информации в счетчик. Кроме того, для наращивания разрядности счета в микросхеме предусмотрены выходы "³15" и " < 0", на которых при достижении счетчиком указанных чисел появляются сигналы логического "0". Выход "³15" в этом случае следует соединять с входом "+1", выход "< 0" - с входом "-1" аналогичной микросхемы.
3.3. Функцию двоично-десятичного счетчика ДД2 выполняет микросхема К155ИЕ6. У заданной микросхемы коэффициент пересчета М=10 и сигнал переноса в старшие разряды на выходе “³9” вырабатывается при превышении счетчиком числа 9.
Рис.8
3.4. При исследовании одного из счетчиков, другой должен находиться в исходном состоянии, что достигается подачей на вход R данного счетчика уровня логической "1" с помощью кнопок SА10 или SA11.
3.5. Запись информации в счетчики производится в параллельном коде путем подачи на входы ДО¸ДЗ логических сигналов "0" и "1" с помощь кнопок SА1¸SА4 и подачи сигнала логического "0" на вход С с помощью кнопки SА9 (для этого кнопку SА9 надо отжать и снова нажать ).
З.6. Счетные импульсы должны поступать на исследуемую схему с клеммы "непр.имп," ( " ~|_|~|_|~ “ ) в виде непрерывной импульсной последовательности и с клеммы "пачка имп." ( "_|~|_|~|_" ) в виде пачки импульсов с числом импульсов в пачке от 1 до 15. Управление режимом работы входов "+1" и "-1" счетчиков производится о помощью кнопок SA13¸SА16, которые обеспечивают выполнение следующих функций:
SА13 ("непр,+") - разрешение прохождения непрерывной импульсной последовательности на входы "+1" счетчиков;
SА14 ("пачка +") - разрешение прохождения пачки импульсов на входы "+1" счетчиков;
SА15 (“непр.-") - разрешение прохождения непрерывной последовательности импульсов на входы "-1" счетчиков;
SА16 ("пачка -") - разрешение прохождения пачки импульсов на входы
Реферат опубликован: 15/10/2007